幾種振動篩設計方案及選擇對比
發布日期:2015-04-23 作者:隆中
洛陽隆中重工今天給大家分享下脫水振動篩的設計方案。
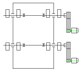
方案一:
振動篩齒輪強迫傳動振動器的主要的優點:能保證兩偏心軸的振動相位角一致.物料能按特定的拋擲角運動進行篩分.組裝精度要求一般.這種篩子的較大不足:噪音大,軸容易發熱,漏油也較嚴重,齒輪使用壽命短等.

方案二:
雙不平衡激振器由兩臺電機拖動,主要取消了一對齒輪,代之以兩臺振動篩電動機直接帶動軸轉動.采用這種傳動方式的振動器,其優點是可以簡化了激振器的結構,使振動篩的潤滑,維護和檢修大為簡化;篩子噪音,消除漏油和降低費用等.

方案三:
采用這種傳動方式的振動器,其優點可以降低振動篩篩子噪音,消除漏油,減少備件消耗和降低費用等.但振動器兩軸同心度,及其裝備精度要求較gao.通過三角帶傳動的振動器,如兩電機膠帶輪的三角膠帶松緊不一致時,均會引起由于兩軸摩擦傳動阻力的差異而導致兩偏心相位角的不一致,從而造成物料在篩面上不規則運動,影響振動篩篩分效率.

綜合方案一,二和方案三的優,缺點。末尾,確定方案二是較優方案。
相關文章推薦:振動脫水篩在重晶石脫水中的應用和重要性
相關推薦
- 2015-07-14 隆中圓振動篩為什么受廣大客戶的喜愛
- 2021-07-09 液壓圓振動篩工作原理及性能特點介紹
- 2016-08-08 河南哪家圓振動篩質量好?
- 2021-04-10 圓振篩振幅是多大
- 2020-07-17 圓振動篩排雜較慢如何解決
- 2015-04-22 振動篩篩分過程出現混料現象怎么辦
- 2016-02-10 重型礦用振動篩在運輸過程中應注意事項
- 2014-12-23 脫水直線振動篩 您知道如何選購嗎
- 2019-06-27 振動篩安裝網架有這么多好處?快來了解一下吧!
- 2015-08-18 購買圓振動篩,到隆中重工



